Rebate
Rebate
|
#425550500
Holley EFI 550-500 HP EFI Universal Mpi Retrofit Kits
$3,373.95
/each
Factory Shipped
$3,749.95
Save $376.00
Quantity
Need Help? Call to Order
Add to a list
Select a vehicle to verify Fitment
Select Vehicle
Need To Know
Need help?
855.313.9176Quick and Easy Returns
Return PolicyHolley 550-500 Details
Holley 550-500 Details
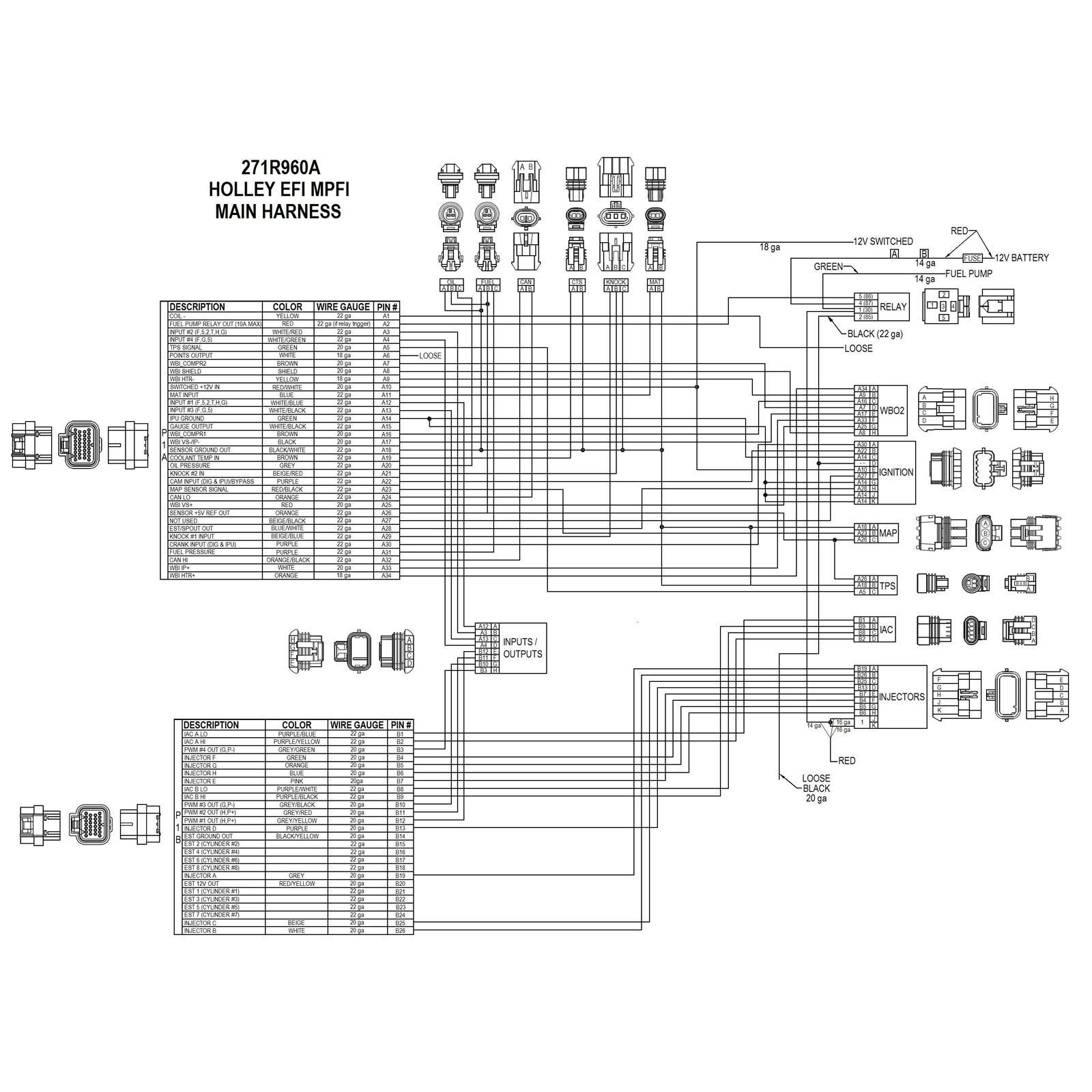
Do you have a Mopar, Ford or other type engine you want to install multi-port fuel injection on? No, problem, the Holley HP universal retrofit EFI kits are designed to be used with any V-8 intake manifold. The kit comes with injector bungs and un-machined fuel rails so you can modify to fit any single plane 4bbl intake manifold. The HP universal retrofit kits also come with the necessary wiring, ECU, sensors and throttle body. Just select the fuel pump and injectors of choice and you are off and running.
Features:
Rebates
Holley Fuel Up Spring Savings Event 2026

Save 10% instantly on select products across the Holley family of performance brands during the annual Holley Fuel Up Spring Savings Event 2026. Instant rebate period runs from March 30, 2026 through April 19, 2026.
Guides & Documents
CARB Warning
For use on pre-1966 vehicles only
CARB Warning
For use on pre-1966 vehicles only
Holley 550-500 Specifications
Holley 550-500 Specifications
| KEY SPECS | |
|---|---|
| MFG. Part # | 550-500 |
| Brand | Holley |
| GENERAL | |
| GTIN Code | 090127666883 |

